| 
	
	
        
          
		       Wire Rope, Tools & Acc  —  Simplex & Duplex Clips
           
		   | 
         
		
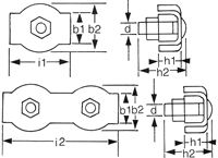
		  | Suffix Part No. S (simplex) or D (duplex). | 
		  
		  
		   
		  
		   | 
         
	   
  
  
     | 
    Part | 
    Wire Dia mm | 
	
    b1 mm | 
    b2 mm | 
    d | 
    h1 mm | 
    h2 mm | 
    l1 mm | 
    l2 mm | 
     | 
   
 
  
     | 
    ED-103352 | 
    2 | 
	
    4 | 
    12 | 
    M4 | 
    5 | 
    14 | 
    15 | 
    30  | 
   
  
  
     | 
    ED-103353 | 
    3 | 
	
    6 | 
    14 | 
    M4 | 
    7 | 
    14 | 
    17 | 
    35  | 
   
  
  
     | 
    ED-103354 | 
    4 | 
	
    8 | 
    18 | 
    M5 | 
    7 | 
    18 | 
    20 | 
    40  | 
   
  
  
     | 
    ED-103355 | 
    5 | 
	
    10 | 
    20 | 
    M5 | 
    8 | 
    18 | 
    25 | 
    50  | 
   
  
  
     | 
    ED-103356 | 
    6 | 
	
    12 | 
    24 | 
    M6 | 
    9 | 
    23 | 
    30 | 
    60  | 
   
  
  
     | 
    ED-103358 | 
    8 | 
	
    17 | 
    30 | 
    M8 | 
    13 | 
    25 | 
    37 | 
    75  | 
   
  
 
  
  
  
Return to previous page Index
Quick Links - 
Anchoring & Mooring - Anti-Slip Deck Covering - Blocks by Wichard - Hardware - Hooks & Snaps - Knives - Maintenance Products - Marine Tapes - Plastic Fittings - Polishes & Waxes - Rig Tensioners - Rigging Screws - Rigging Screws Spares - Shackles - Travellers & Cars - Wire Rope, Tools & Acc - Wire Terminals - Balustrade & Railing - Curtain Rail Anchors     
 
  
 |